产品特点
PERFORMANCE CHARACTERISTICS
紫外吸收法(UV)
探头直接浸入式测量,基于水中有机物对紫外光及可见光特定波长的选择性吸收原理,利用水样对单色光的吸收确定有机物物质浓度,建立溶液对特定波长吸光度和COD值之间的关系。
RS485数字智能传感器
数字传感器,抗干扰强,无需传统二次仪表,可直接与PLC、DTU、DCS、触摸屏等设备集成。助力水质监测解决方案的实现,满足客户需求。
多参数测量
禹山UV COD传感器可同时实时测量COD、TOC、浊度及温度。紫外吸收法相比化学法,无需试剂,无需预处理,不会产生二次污染。
无试剂低运维
光学无损检测、无需化学试剂,免频繁校准换药;搭配自清洁设计,大幅降低后期人工巡检、维护频次与使用成本。
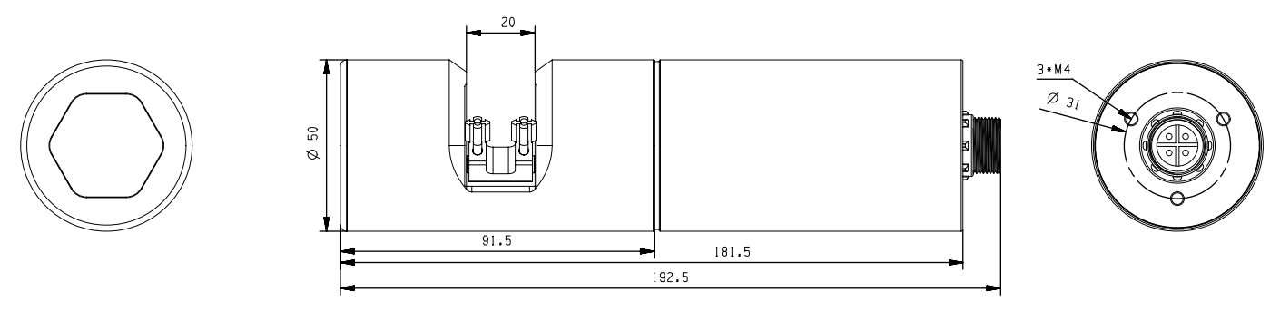
产品介绍
FOUR STRUCTURAL COMPONENTS

COD传感器特点
- 数字传感器,RS-485输出,支持MODBUS;
- 无需试剂,无污染,更经济环保;
- 可测量COD、TOC、浊度及温度等参数;
- 自动对浊度干扰进行补偿,测试性能好;
- 内置校准参数,方便现场使用及二次标校。

产品参数
PRODUCT PARAMETERS
出厂配置
PRODUCT MIX




| 标准配置 | 数量 | 单位 | 备注 |
|---|---|---|---|
| COD传感器 | 1 | 支 | 含吊装钣金件、抱箍 |
| 线缆 | 1 | 根 | 10米 |
工程案例
ENGINEERING EXAMPLE

河道水质监测案例
河流水的在线监测是水资源保护工作的重点任务,是预防污染、水质预警的重要手段之一。天地矿业新建大型煤矿,煤矿井口出料计量精度要求高,实际工况倾斜角较大,设备安装环境复杂,计量人员也增多,成本较高,工作效率低下,数据易出错。 计量过程多,涉及部门也多,管理差,企业领导、职能部门无法实时掌握生产和销售情况,造成决策不准确、不及时。
MORE+水产养殖监测案例
禹山的小型浮标系统结构简单,费用低,采用太阳能供电,可选择GPRS、3G、4G或NB-IOT进行数据远传,数据支持PC或手机APP远程访问。传感器带有自清洁刷,无需频繁维护,适合长期在线监测。实现了一旦水质变化异常,就能在第1时间发出通知信号的这一特点。
MORE+

污水水质监测
印染废水是指染色或印染过程中产生的染色残留液,冲洗水和预处理(如擦洗,去除丝绸,脱胶,退浆等),以及来自精加工的混合废水,一定量的有害物质和有色废水。苏州这家印染厂于2019年在废水池中配置了禹山的Y4000多参数传感器(监测指标:水温、溶解氧、PH、浊度、电导率)。
MORE+地下水监测案例
地下水管道中的污水氨氮超标会引起水体溶解氧浓度降低及富营养化,对人和水生生物有较大的危害作用。水体中的氨氮是指以氨(NH3)或铵(NH4+)离子形式存在的化合氨。氨氮是各类型氮中危害影响zui大的一种形态,是水体受到污染的标志,其对水生态环境的危害表现在多个方面。
MORE+
产品资质
HONORARY QUALIFICATION
厂 家 直 销
高品质 低价位
正 规 发 票
联系销售提供信息
按 需 定 制
源头厂家 支持OEM
证 书 齐 全
实力厂家 证书全
优质服务
PRODUCT ADVANTAGE
关于售后
我司提供正规发票,保证您的购买和使用权益。如需退换货请及时联系销售说明。
售 后 跟 踪
提供产品SN可追溯到产品数据。产品使用时,销售工程师将与您对接服务,解决产品使用问题。
关于发货
产品发货时间以您和销售协商的为准。我司默认德邦、顺丰,如需特殊物流请提前说明!
现场技术支持
我司可为客户提供现场技术支持服务。如您有需求,请联系我司销售咨询相关事宜。
关于质保
在符合使用说明书规定的安装、调试、校验等正确使用前提下自发货之日起1年(易损件除外)。
免责条款
收到产品请仔细阅读说明书、警示等随产品发送的文件。因人为造成的损坏不在责任范围内。




苏公网安备 32059002003468号